○第二級アマチュア無線技士工学○
20問モード

■1問目 回答結果■
不正解!
正 解:単相全波倍電圧整流回路
時 間:7138秒
正解数:0問

第2問目
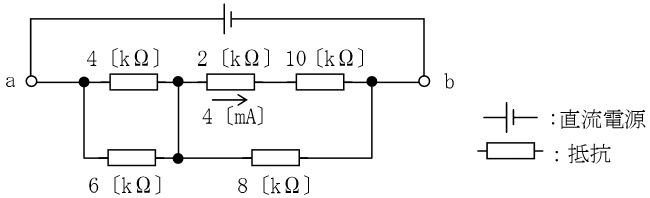
H30DEC 図に示す回路において、端子ab間に直流電圧を加えたところ、2〔kΩ〕の抵抗に4〔mA〕の電流が流れた。8〔kΩ〕の抵抗に流れる電流の値として正しいものを下の番号から選べ。

6〔mA〕
4〔mA〕
2〔mA〕
8〔mA〕


メニューへ
再挑戦